Neflan 10 Gigabit SFP+ Modül 10G-Base ZR 1550nm 80km LC SMF DDM
Neflan 10 Gigabit SFP+ Modül 10G-Base ZR 1550nm 80km LC SMF DDM
Ürüne Genel Bakış
Neflan 10Gbps Singlemode GBIC (SFP) alıcı-verici (transceiver) modülleri, yüksek performanslı ve güvenilir fiber optik bağlantılar için üretilmiştir. Neflan transceiver modülleri, fiber teknolojisinin daha esnek kullanılmasını sağlayan geniş bir ürün yelpazesine sahiptir.10 Gbps’ye kadar veri iletim hızını ve 80 km’ye kadar iletim mesafesini destekler. Tak-Çalıştır (Plug & Play) transceiver modülleri, hızlı ve kolay kurulum imkânı sunar. Neflan transceiver modülleri; switch-switch, switch-konvertör ve konvertör-konvertör gibi bağlantılarda kullanılabilir.
Özellikler
• Tek modlu fiber (SMF) üzerinde 80 km’ye kadar iletim
• 10 Gbps’ye kadar veri hızı
• LC Duplex konnektör
• Düşük EMI ve yüksek ESD koruması
• +3,3 V tekli besleme gerilimi
• IEC-60825 lazer güvenlik standardına uyumlu
• SFF-8472 Dijital Tanılama (Digital Diagnostic) uyumlu
• RoHS uyumlu
• LVPECL uyumlu veri giriş/çıkış arayüzü
• Endüstriyel uygulamalar için -40 °C ~ +85 °C çalışma sıcaklık aralığı
Uygulamalar
• 10 Gigabit Ethernet
• Fiber Channel
• Switch–Switch arayüzü
• Anahtarlamalı backplane uygulamaları
• Router / Sunucu arayüzü
• Diğer optik iletim sistemleri
Optik Özellikler
(Ortamda Çalışma Sıcaklığı 0°C ile +70°C, Vcc =3.3 V)
| Parametre | Sembol | Minimum | Tipik | Maksimum | Birim |
| Verici Bölümü | |||||
| Merkez Dalga Boyu | lo | 1290 | 1310 | 1330 | nm |
| Yan Mod Bastırma Oranı | SMSR | 35 | - | - | dB |
| Ortalama Çıkış Gücü | Po | -8 | - | +0.5 | dBm |
| Sönüm Oranı | Er | 3.5 | - | - | dB |
| Dispersiyon Cezası | - | - | - | 3.2 | dB |
| Bağıl Yoğunluk Gürültüsü | RIN12OMA | - | - | -128 | dB/Hz |
| Toplam Jitter | Tj | IEEE 802.3ae uyumlu | |||
| Alıcı Bölümü | |||||
| Merkez Dalga Boyu | lo | - | 1310 | - | nm |
| Alıcı Hassasiyeti | Rsen | - | - | -12.5 | dBm |
| Zorlanmış Hassasiyet | Rsen | - | - | -10.5 | dBm |
| Alıcı Aşırı Yük Seviyesi | Rov | - | 0 | - | dBm |
| Geri Yansıma Kaybı | - | 12 | - | - | dB |
| LOS Aktif | LOSA | - | -20 | - | dBm |
| LOS Pasif | LOSD | - | - | -17 | dBm |
| LOS Histerizisi | - | 0.5 | - | 4 | dB |
Elektriksel Özellikler
(Ortamda Çalışma Sıcaklığı 0°C ile +70°C, Vcc =3.3 V)
| Parametre | Sembol | Minimum | Tipik | Maksimum | Birim | ||
| Verici Bölümü | |||||||
| Giriş Diferansiyel Empedansı | Zin | 90 | 100 | 110 | Ohm | ||
| Veri Giriş Diferansiyel Salınımı | Vin | 180 | 700 | mV | |||
| Tx (Verici) Devre Dışı | Devre Dışı | 2.0 | Vcc | V | |||
| Etkin | 0 | 0.8 | V | ||||
| Tx (Verici) Arıza Durumu | Aktif | 2.0 | Vcc | V | |||
| Pasif | 0 | 0.8 | V | ||||
| Alıcı Bölümü | |||||||
| Çıkış Diferansiyel Empedansı | Zout | 100 | Ohm | ||||
| Veri Girişi Diferansiyel Salınımı | Vout | 300 | 800 | mV | |||
| Alıcı Sinyal Kaybı | Aktif | 2.0 | Vcc | V | |||
| Pasif | 0 | 0.8 | V | ||||
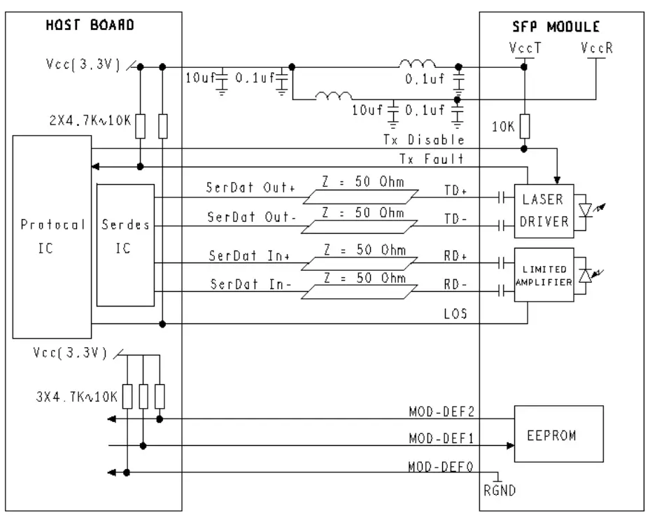
Pin Tanımlamaları
|
Pinler |
İsim |
Açıklama |
Not |
| 1 | VeeT | Verici Toprak Ucu | |
| 2 | Tx Fault | Verici Arıza Göstergesi | 1 |
| 3 | Tx Disable | Verici Devre Dışı | 2 |
| 4 | MOD DEF2 | Modül Tanımlama 2 | 3 |
| 5 | MOD DEF1 | Modül tanımlama 1 | 3 |
| 6 | MOD DEF0 | Modül Tanımlama 0 | 3 |
| 7 | Rate Select | Bağlantı Yok | |
| 8 | LOS | Optik Sinyal Kaybı | 4 |
| 9 | VeeR | Alıcı Toprak Ucu | |
| 10 | VeeR | Alıcı Toprak Ucu | |
| 11 | VeeR | Alıcı Toprak Ucu | |
| 12 | RD- | Alıcı Veri Çıkışı | 5 |
| 13 | RD+ | Rx Veri Çıkışı | 5 |
| 14 | VeeR | Alıcı Toprak Ucu | |
| 15 | VccR | Alıcı Besleme Gücü | |
| 16 | VccT | Verici Besleme Gücü | |
| 17 | VeeT | Verici Toprak Ucu | |
| 18 | TD+ | Verici Veri Girişi | 6 |
| 19 | TD- | Ters Verici Veri Girişi | 6 |
| 20 | VeeT | Verici Toprak Ucu |
Notlar:
- TX Fault, açık kollektör (open collector) bir çıkıştır. Ana kart (host board) üzerinde 4.7k~10kΩ değerinde bir direnç ile 2.0V ile Vcc+0.3V arasındaki bir gerilime pull-up yapılmalıdır.
Mantık 0 normal çalışmayı; mantık 1 ise herhangi bir lazer arızasını gösterir.
Düşük seviyede çıkış 0.8V’un altına çekilir. - TX Disable, verici (transmitter) optik çıkışını kapatmak için kullanılan bir giriş sinyalidir. Modül içinde 4.7k~10kΩ direnç ile pull-up yapılmıştır. Durumları aşağıdaki gibidir:
• Düşük (0~0.8V): Verici açık
• (>0.8V, <2.0V): Tanımsız
• Yüksek (2.0~3.3V): Verici devre dışı
• Açık (Open): Verici devre dışı
- MOD-DEF 0, 1, 2, modül tanımlama pinleridir. Ana kart (host board) üzerinde 4.7k~10kΩ direnç ile pull-up yapılmalıdır. Pull-up gerilimi VccT veya VccR olmalıdır.
• MOD-DEF 0, modülün takılı olduğunu göstermek için modül tarafından toprağa (GND) çekilir.
• MOD-DEF 1, seri kimlik (Serial ID) için kullanılan iki telli seri arayüzün saat (clock) hattıdır.
• MOD-DEF 2, seri kimlik (Serial ID) için kullanılan iki telli seri arayüzün veri (data) hattıdır.
- LOS (Loss of Signal), açık kollektör (open collector) bir çıkıştır. Ana kart üzerinde 4.7k~10kΩ direnç ile 2.0V ile Vcc+0.3V arasındaki bir gerilime pull-up yapılmalıdır.
Mantık 0 normal çalışmayı; mantık 1 ise sinyal kaybını gösterir.
Düşük seviyede çıkış 0.8V’un altına çekilir. - Bunlar diferansiyel alıcı (receiver) çıkışlarıdır. Dahili olarak AC-kuplajlı 100Ω diferansiyel hatlardır ve kullanıcı SERDES tarafında 100Ω (diferansiyel) terminasyon ile sonlandırılmalıdır.
- Bunlar diferansiyel verici (transmitter) girişleridir. Modül içinde 100Ω diferansiyel terminasyona sahip, AC-kuplajlı diferansiyel hatlardır.
Önerilen Uygulama Devresi