Neflan 10 Gigabit SFP+ Modül 10G-Base SR 850nm 300m LC MMF DDM-End.
Ürüne Genel Bakış
Neflan 10Gbps Multimode Endüstriyel GBIC (Industrial SFP) Transceiver Modülleri, yüksek performans ve güvenilir fiber optik bağlantılar için üretilmiştir. Neflan transceiver modülleri, fiber teknolojisinin daha esnek kullanılmasını sağlayan geniş bir ürün yelpazesine sahiptir. 10Gbps’ye kadar veri iletim hızını ve 300 metreye kadar iletim mesafesini destekler. Tak-Çalıştır (Plug & Play) transceiver modülleri, hızlı ve kolay kurulum imkânı sunar. Neflan transceiver modülleri; switch–switch, switch–converter ve converter–converter gibi bağlantılarda kullanılabilir.
Özellikler
• 2000 MHz·km MMF üzerinde 300 m’ye kadar iletim
• 10Gbps’ye kadar veri hızı
• LC Duplex konnektör
• 850 nm VCSEL lazer ve PIN fotodedektör
• +3.3V tek güç beslemesi
• IEC 60825 lazer güvenlik standardına uygun
• Dijital Diagnostik (DDM) – SFF-8472 uyumlu
• RoHS uyumlu
• LVPECL uyumlu veri giriş/çıkış arayüzü
• Endüstriyel uygulamalar için -40°C ~ +85°C çalışma sıcaklık aralığı
Uygulamalar
• Gigabit Ethernet
• Fiber Channel
• Switch – Switch arayüzü
• Anahtarlamalı backplane uygulamaları
• Router / Server arayüzü
• Diğer optik iletim sistemleri

Mutlak Maksimum Değerler
| Parametre | Sembol | Minimum | Maksimum | Birim |
| Depolama Sıcaklığı | Tst | -40 | +85 | °C |
| Besleme Gerilimi | Vcc | 0 | +3.6 | V |
| Çalışma Bağıl Nem Oranı | RH | 5 | 85 | % |
Çalışma Ortamı
| Parametre | Sembol | Minimum | Tipik | Maksimum | Birim | |
| Besleme Gerilimi | Vcc | 3.15 | 3.45 | V | ||
| Çalışma Kasa Sıcaklığı | Ticari | Tc | 0 | +70 | °C | |
| Endüstriyel | Tc | -40 | +85 | °C | ||
| Güç Tüketimi | 1 | W | ||||
| Veri Hızı | 1.25 | Gbps | ||||
Optik Özellikler
(Ortamda Çalışma Sıcaklığı 0°C ile +70°C, Vcc =3.3 V)
| Parametre | Sembol | Minimum | Tipik | Maksimum | Birim |
| Verici Bölümü | |||||
| Merkez Dalga Boyu | lo | 840 | 850 | 860 | nm |
| Spektral Genişlik (RMS) | Δλ | - | - | 0.45 | dB |
| Ortalama Çıkış Gücü | Po | -5 | - | -1 | dBm |
| Sönüm Oranı | Er | 3.0 | - | - | dB |
| Dispersiyon Cezası | - | - | - | 3.9 | dB |
| Bağıl Yoğunluk | RIN12OMA | - | - | -128 | dB/Hz |
| Toplam Jitter | Tj | - | IEEE 802.3z and ANSI Fibre Channel Compatible | ||
| Alıcı Bölümü | |||||
| Merkez Dalga Boyu | lo | - | 850 | nm | |
| Alıcı Hassasiyeti | Rsen | - | - | -11.5 | dBm |
| Zorlanmış Hassasiyet | Rsen | - | - | -10.5 | dBm |
| Alıcı Aşırı Yükü | Rov | 0 | - | - | dBm |
| Geri Dönüş Kaybı | 12 | - | - | dB | |
| LOS Aktif | LOSA | -17 | - | - | dBm |
| LOS Pasif | LOSᴅ | - | - | -15 | dBm |
| LOS Histerizisi | - | 0.5 | - | 4 | |
Elektriksel Özellikler
| Parametre | Sembol | Minimum | Tipik | Maksimum | Birim | ||
| Verici Bölümü | |||||||
| Giriş Diferansiyel Empedansı | Zin | 90 | 100 | 110 | Ohm | ||
| Veri Giriş Diferansiyel Salınımı | Vin | 180 | 700 | mV | |||
| Tx (Verici) Devre Dışı | Devre Dışı | 2.0 | Vcc | V | |||
| Etkin | 0 | 0.8 | V | ||||
| Tx (Verici) Arıza Durumu | Aktif | 2.0 | Vcc | V | |||
| Pasif | 0 | 0.8 | V | ||||
| Alıcı Bölümü | |||||||
| Çıkış Diferansiyel Empedansı | Zout | 100 | Ohm | ||||
| Veri Girişi Diferansiyel Salınımı | Vout | 300 | 800 | mV | |||
| Alıcı Sinyal Kaybı | Aktif | 2.0 | Vcc | V | |||
| Pasif | 0 | 0.8 | V | ||||
Maksimum Desteklenen Mesafeler
| Parametre | Sembol | Minimum | Tipik | Maksimum | Birim |
| Fiber Tipi | 850nm OFL Band Genişliği | m | |||
| 62.5 µm | 160 Mhz-km | 26 | m | ||
| 200 Mhz-km | 33 | m | |||
| 400 Mhz-km | 66 | m | |||
| 50 µm | 400 Mhz-km | 66 | m | ||
| 500 Mhz-km | 82 | m | |||
| 2000 Mhz-km | 300 | m |
Tanılama
| Parametre | Aralık | Doğruluk | Birim | Kalibrasyon |
| Sıcaklık | -5 ~ 75 | ±3 | °C | Dahili |
| Voltaj | 0 ~ Vcc | 0.1 | V | Dahili |
| Bias Akımı | 0 ~ 12 | 0.5 | mA | Dahili |
| Tx Gücü | -8 ~ 1 | ±1 | dBm | Dahili |
| Rx Gücü | -18 ~ 0 | ±1 | dBm | Dahili |
EEPROM Bilgileri (A0)
|
Adres |
Alan Boyutu (Bayt) |
Alan Adı |
HEX (Onaltılık) |
Açıklama |
| 0 | 1 | Tanımlayıcı | 03 | SFP |
| 1 | 1 | Genişletilmiş Tanımlayıcı | 04 | MOD |
| 2 | 1 | Konnektör | 07 | LC |
| 3-10 | 8 | Alıcı-Verici | 00 00 00 02 12 00 0D 01 | Verici Kodu |
| 11 |
1
|
Kodlama | 02 | 4B5B |
| 12 | 1 | Nominal Bit Hızı | 0D | 1250 Mbps |
| 13 | 1 | Rezerve Edilmiş | 00 | |
| 14 | 1 | İletim Mesafesi (9µm) -km | 14 | 20 km |
| 15 | 1 | İletim Mesafesi (9µm) | 64 | |
| 16 | 1 | İletim Mesafesi (50µm) | 00 | |
| 17 | 1 | İletim Mesafesi (62.5µm) | 00 | |
| 18 | 1 | İletim Mesafesi (Bakır) | 00 | |
| 19 | 1 | Rezerve Edilmiş | 00 | |
| 20-35 | 16 | Tedarikçi Adı | 57 49 4E 54 4F 50 20 20 20 20 20 20 20 20 20 20 |
CRED |
| 36 | 1 | Rezerve Edilmiş | 00 | |
| 37-39 | 3 | Tedarikçi OUI | 00 00 00 | |
| 40-55 | 16 | Tedarikçi Parça Numarası | xx xx xx xx xx xx xx xx xx xx xx xx xx xx xx xx |
ASCII |
| 59-59 | 4 | Tedarikçi Revizyonu | 31 2E 30 20 | V1.0 |
| 60-61 | 2 | Dalga Boyu | 05 1E | 1310nm |
| 62 | 1 | Rezerve Edilmiş | 00 | |
| 63 | 1 | CC Taban | XX | 0~62 Baytlarının Sağlama Toplamı |
| 64-65 | 2 | Seçenekler | 00 1A | LOS, Tx Devre Dışı Bırakma, Tx Hatası |
| 66 | 1 | Maksimum BR | 32 | 50% |
| 67 | 1 | Minimum BR | 32 | 50% |
| 68-83 | 16 | Satıcı SN | 00 00 00 00 00 00 00 00 00 00 00 00 00 00 00 00 |
Belirtilmemiş |
| 84-91 | 8 | Tedarikçi Tarih Kodu | XX XX XX 20 | Yıl, Ay, Gün |
| 92-94 | 3 | Rezerve Edilmiş | 00 | |
| 95 | 1 | CC_EXT | XX | 64~94 Baytlarının Sağlama Toplamı |
| 96-255 | 160 | Satıcıya Özel |
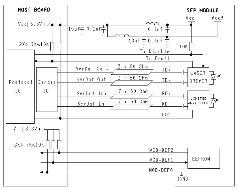
Pin Tanımlamaları
|
Pinler |
İsim |
Açıklama |
Not |
| 1 | VeeT | Verici Toprak Ucu | |
| 2 | Tx Fault | Verici Arıza Göstergesi | 1 |
| 3 | Tx Disable | Verici Devre Dışı | 2 |
| 4 | MOD DEF2 | Modül Tanımlama 2 | 3 |
| 5 | MOD DEF1 | Modül tanımlama 1 | 3 |
| 6 | MOD DEF0 | Modül Tanımlama 0 | 3 |
| 7 | Rate Select | Bağlantı Yok | |
| 8 | LOS | Optik Sinyal Kaybı | 4 |
| 9 | VeeR | Alıcı Toprak Ucu | |
| 10 | VeeR | Alıcı Toprak Ucu | |
| 11 | VeeR | Alıcı Toprak Ucu | |
| 12 | RD- | Alıcı Veri Çıkışı | 5 |
| 13 | RD+ | Rx Veri Çıkışı | 5 |
| 14 | VeeR | Alıcı Toprak Ucu | |
| 15 | VccR | Alıcı Besleme Gücü | |
| 16 | VccT | Verici Besleme Gücü | |
| 17 | VeeT | Verici Toprak Ucu | |
| 18 | TD+ | Verici Veri Girişi | 6 |
| 19 | TD- | Ters Verici Veri Girişi | 6 |
| 20 | VeeT | Verici Toprak Ucu |
Notlar:
- TX Fault, açık kollektör (open collector) bir çıkıştır. Ana kart (host board) üzerinde 4.7k~10kΩ değerinde bir direnç ile 2.0V ile Vcc+0.3V arasındaki bir gerilime pull-up yapılmalıdır.
Mantık 0 normal çalışmayı; mantık 1 ise herhangi bir lazer arızasını gösterir.
Düşük seviyede çıkış 0.8V’un altına çekilir. - TX Disable, verici (transmitter) optik çıkışını kapatmak için kullanılan bir giriş sinyalidir. Modül içinde 4.7k~10kΩ direnç ile pull-up yapılmıştır. Durumları aşağıdaki gibidir:
• Düşük (0~0.8V): Verici açık
• (>0.8V, <2.0V): Tanımsız
• Yüksek (2.0~3.3V): Verici devre dışı
• Açık (Open): Verici devre dışı
- MOD-DEF 0, 1, 2, modül tanımlama pinleridir. Ana kart (host board) üzerinde 4.7k~10kΩ direnç ile pull-up yapılmalıdır. Pull-up gerilimi VccT veya VccR olmalıdır.
• MOD-DEF 0, modülün takılı olduğunu göstermek için modül tarafından toprağa (GND) çekilir.
• MOD-DEF 1, seri kimlik (Serial ID) için kullanılan iki telli seri arayüzün saat (clock) hattıdır.
• MOD-DEF 2, seri kimlik (Serial ID) için kullanılan iki telli seri arayüzün veri (data) hattıdır.
- LOS (Loss of Signal), açık kollektör (open collector) bir çıkıştır. Ana kart üzerinde 4.7k~10kΩ direnç ile 2.0V ile Vcc+0.3V arasındaki bir gerilime pull-up yapılmalıdır.
Mantık 0 normal çalışmayı; mantık 1 ise sinyal kaybını gösterir.
Düşük seviyede çıkış 0.8V’un altına çekilir. - Bunlar diferansiyel alıcı (receiver) çıkışlarıdır. Dahili olarak AC-kuplajlı 100Ω diferansiyel hatlardır ve kullanıcı SERDES tarafında 100Ω (diferansiyel) terminasyon ile sonlandırılmalıdır.
- Bunlar diferansiyel verici (transmitter) girişleridir. Modül içinde 100Ω diferansiyel terminasyona sahip, AC-kuplajlı diferansiyel hatlardır.
Önerilen Uygulama Devresi